艾兰德ALD2000A01D5K变频器使用说明书:[4]

时间:2024-12-04 12:06:17

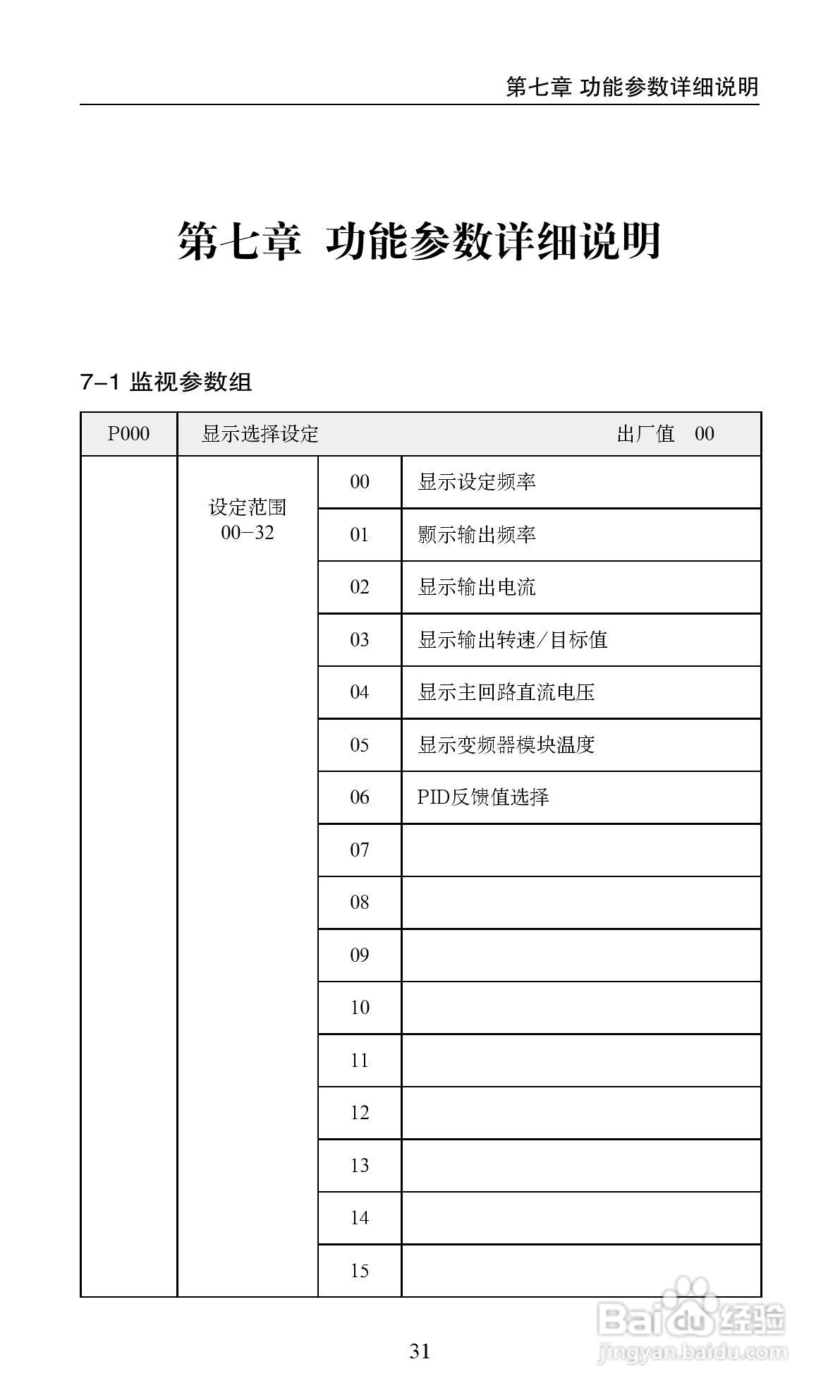
本篇为《艾兰德ALD2000A01D5K变频器使用说明书》,主要介绍该产品的使用方法以及常见故障解决方案。

艾兰德ALD2000A01D5K变频器使用说明书:[4]

艾兰德ALD2000A01D5K变频器使用说明书:[4]

艾兰德ALD2000A01D5K变频器使用说明书:[4]

艾兰德ALD2000A01D5K变频器使用说明书:[4]

艾兰德ALD2000A01D5K变频器使用说明书:[4]

艾兰德ALD2000A01D5K变频器使用说明书:[4]

艾兰德ALD2000A01D5K变频器使用说明书:[4]

艾兰德ALD2000A01D5K变频器使用说明书:[4]

艾兰德ALD2000A01D5K变频器使用说明书:[4]

艾兰德ALD2000A01D5K变频器使用说明书:[4]

© 2025 手抄报圈
信息来自网络 所有数据仅供参考
有疑问请联系站长 site.kefu@gmail.com