艾兰德ALD3600A0800R变频器使用说明书:[10]

时间:2025-04-03 18:04:20

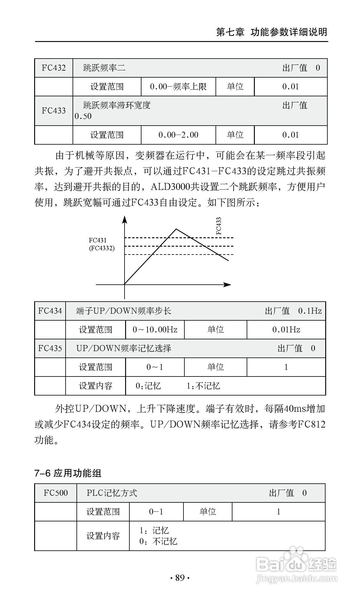
本篇为《艾兰德ALD3600A0800R变频器使用说明书》,主要介绍该产品的使用方法以及常见故障解决方案。

艾兰德ALD3600A0800R变频器使用说明书:[10]

艾兰德ALD3600A0800R变频器使用说明书:[10]

艾兰德ALD3600A0800R变频器使用说明书:[10]

艾兰德ALD3600A0800R变频器使用说明书:[10]

艾兰德ALD3600A0800R变频器使用说明书:[10]

艾兰德ALD3600A0800R变频器使用说明书:[10]

艾兰德ALD3600A0800R变频器使用说明书:[10]

艾兰德ALD3600A0800R变频器使用说明书:[10]

艾兰德ALD3600A0800R变频器使用说明书:[10]

艾兰德ALD3600A0800R变频器使用说明书:[10]

© 2025 手抄报圈
信息来自网络 所有数据仅供参考
有疑问请联系站长 site.kefu@gmail.com